
AudioMaster Pro
Audiophiles don't use their equipment to listen to music. Audiophiles use your music to listen to their equipment
— Alan Parsons
Ideation
Prototyping
Open/closed feature
3D printed earcup parts
Strength testing parts
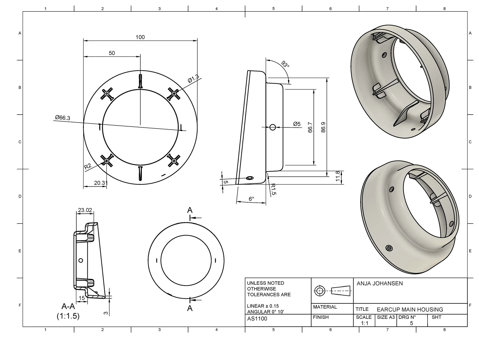
Design for manufacturing
This project focused on designing parts for injection moulding. Through careful prototyping and testing, I cut costs and improved performance. I sent my CAD model to a manufacturer who confirmed that the design was possible to injection mould.
Prototype
I made the prototype mainly by 3D printing, but also some textile work
Animation
